模拟电子技术-第三章 集成运算放大电路
目录
多极放大电路的耦合方式
耦合方式,即不同级放大电路之间如何连接
直接耦合
缺点:零点漂移、调试非常困难、静态工作点难稳定
优点:低频特性好、易于集成(电容非常大,电阻可以很小)
阻容耦合
优点:静态工作点容易稳定,方便调试
缺点:低频根本用不了、无法集成
常用于分立元件,常见于考试
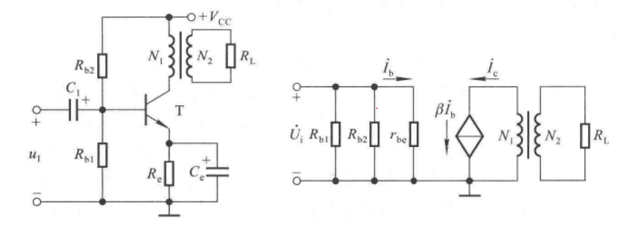
变压器耦合

其中,交流情况下的变压器可以等效为阻抗:
$$R_L’=(\frac{N_1}{N_2})^2R_L$$
其中,$R_L$是变压器上接的电阻/阻抗
目前,只有在集成功率放大电路无法满足需要的情况下,如需输出特大功率,或实现高频功率放大时,才考虑用分立元件构成变压器耦合放大电路。
光电耦合
用发光二极管控制,用光电二极管接收,途中以光的形式传递,可以避免一些损耗(如运用光纤)
多极放大电路的动态分析
可以逐个断开,下一级的输入电阻是上一级的负载。
其余同第二章的分析
集成运放概述
已由《电路理论》课程完成
直接耦合放大电路
零点漂移现象
此部分与第二章的稳定静态工作点原理相似
-
产生原因
温度漂移(温漂)
-
抑制温漂的方法
直流负反馈、温度补偿,同样见上一章
另外,对于多极放大电路,还可以用两个温漂属性相反的管子,让影响互相抵消
end of 2023.10.18
结束了C9高校教职工篮球邀请赛,结束了物理期中考,已经落后进度一大截了
接下来的第三章内容采用笔记参考的速通方式。
速通牛魔,根本不会
继续听网课
差分放大电路
即用一个对称的电路,让零漂互相抵消
不记了,学期初结束,已经没时间了
最后学得挺好的,结果考试考这么简单,不知道在干啥。
