模拟电子技术-第二章 基本放大电路
放大电路的构成
放大的概念
特征:功率放大
本质:能量的控制、转换
必要条件:有源元件(含电源元件)
前提:保真
测试信号:正弦波
如何构建基本放大电路
让三极管工作在放大状态,即让发射结正偏,集电结反偏即可。通过在基极设置合适的直流电源来达到此目的。
在此基础上,加入正弦信号,并用合理的方式输出(用$R_C$将电流信号转化为电压信号)
上图的电路加上电容即可实现$u_i$输入纯正弦波形时,$u_o$输出纯正弦波形(无直流分量)。含容电路在后面。
两种放大电路
-
直接耦合共射放大电路
什么是直接耦合:输入输出都是从放大电路直接连出来,没有进行处理。这样不能得到纯正弦的波形($u_{ce}$恒正)
-
阻容耦合共射放大电路
使用电容阻断输入输出的直流分量,从而实现纯正弦波形的输出。注意电容对波形的相变,即输出会比输入落后半个周期。
性能指标
放大电路的示意图

对输入和输出的端口来说,放大电路只是一个电阻。当输入是电压时,$R_i$越大越好(减小内阻电压损耗),$R_o$也是越大越好
输入输出电阻
如上,有$R_i,R_o$两个参数
放大倍数
四种参数,$A_{uu},A_{ui},A_{iu},A_{ii}$,即字面意思
频率指标(通频带)
只有在通频带内才能实现稳定放大,不然电容会出问题
非线性失真
由于晶体管非线性的特性,会导致一定程度的失真。失真越少越好
最大不失真输出电压
字面意思
最大输出功率与效率
字面意思
分析方法
直流通路与交流通路
直流通路:电容断路,电感短路,交流电源置零(电流源断路,电压源短路)
交流通路:直流源置零(包括Vcc,需要接地),电容短路,电感断路(频率需要足够高)
以阻容耦合放大电路为例,直流通路和交流通路如下:

图解法
由于听课效率较低,现在开始改为看书自学
-
求解静态工作点:
如图所示,考虑输入回路(基极)和输出回路,即可通过作图法得到静态工作点。高中物理实验题一种很常考的方法。
常将直流分量的下标后面加个Q
-
求解电压放大倍数:
在上图中,利用输入特性曲线,作出$V_{BB}+\Delta u_1$时对应的另一条直线,两个交点的$\Delta y$即为$\Delta i_B$。注意不是用放大倍数直接求出$\Delta i_C$,而是在右图中先作出$I_B+\Delta i_B$对应的输出特性曲线,再得到新的交点,用两个交点的纵坐标差得到$\Delta i_C$,此时$\Delta x$即为$\Delta u_{CE}$(输出电压),电压放大倍数为
$$A_u=\frac{\Delta u_{CE}}{\Delta u_1}$$
用图像表示:
但是该方法求解误差较大,只是为了更好理解。
-
非线性失真的分析:
-
直流负载线和交流负载线
即输出特性曲线上过直流工作点的两条在第一象限的线段,其中直流负载线的斜率为$-\frac 1 {R_c}$,交流负载线的斜率为$-\frac{1}{R_c//R_L}$,其中$R_c,R_L$分别为集电极电阻和负载电阻
-
图解法多适用于分析输出幅值比较大而工作频率不太高时的情况。在实际应用中,多用于分析O点位置、最大不失真输出电压和失真情况等。
等效电路法
-
晶体管的直流模型
考虑一个稳定工作于放大状态的理想三极管。认为:$U_{BE}$恒为开启电压,与输入电流无关,而集电极电流永远是$I_C=\beta I_B$,与$U_{CE}$无关。非常傻逼的受控源模型,简约但是可读性一坨屎,就跟线性代数一样。byd后面也一样,受控源很好玩是吧
-
晶体管共射h参数等效模型
即用h参数矩阵表示的晶体三极管输入输出。
方程组:
$$\dot U_{be}=h_{11e}\dot I_b+h_{12e}\dot U_{ce}$$ $$\dot I_{e}=h_{21e}\dot I_b+h_{22e}\dot U_{ce}$$
其中,电压电流均用相量表示。下标e表示共发射极接法。由上式,可以得到如下微分表达式:
$$\left.h_{11e}=\frac{\partial u_{BE}}{\partial i_B}\right |{U_{CE}=\mathrm{const}}$$
另外三个同理,不赘述。
关于符号区分:
- $i_B$,直流+交流的瞬时量,在上面的偏导中使用
- $I_B$,直流分量
- $\dot I_b$,(正弦交流时)交流相量,在H参数方程组中使用
- $i_b$,交流分量
- $I_b$,交流有效值
对应地,可以作出如下等效电路图:(低频小信号)
各个参数的物理意义:
- $h_{11e}$即直流分量对应的输入特性曲线上静态工作点的导数(动态电阻)的倒数,即$r_{be}$
- $h_{12e}$即$U_{CE}$对$U_{BE}$的影响大小。在$U_{CE}\gt1V$时,这个值非常小(<0.01),可以忽略
- $h_{21e}$即$\beta$
- $h_{22e}$输出特性曲线上静态工作点的导数。理想情况下,认为放大状态下$i_C$不变,即该参数为0。
综上所述,可以忽略其中两个参数,于是得到简化的h参数模型,等效电路如下:
其中,针对$r_{be}$,可以由下式近似计算:
$$r_{be}\approx r_{bb’}+(1+\beta)\frac{U_T}{I_{EQ}}\text{或}r_{be}\approx r_{bb’}+\frac{U_T}{I_{BQ}}$$
$r_{bb’}$仅由三极管内部结构决定,$U_T$就是第一章PN结里面的那个,受温度影响,常温下26mV。
-
共射放大电路动态参数的分析
如图是交流等效电路。
容易得到:$\dot U_i=\dot I_b(R_b+r_{be}),\dot U_o=-\beta \dot I_bR_c$
- 电压放大倍数$\dot A_u=\frac{\dot U_o}{\dot U_i}$
- 输入电阻$R_i=R_b+r_{be}$
- 输出电阻$R_u=R_c$,这里可以用戴维南和诺顿的等效替代
放大电路静态工作点的稳定
必要性
不同的静态工作点代表着不同的H参数矩阵,进而影响众多输入输出关系。其中,温度对晶体管参数的影响是最主要的。
一般有直流负反馈和温度补偿两种方式。
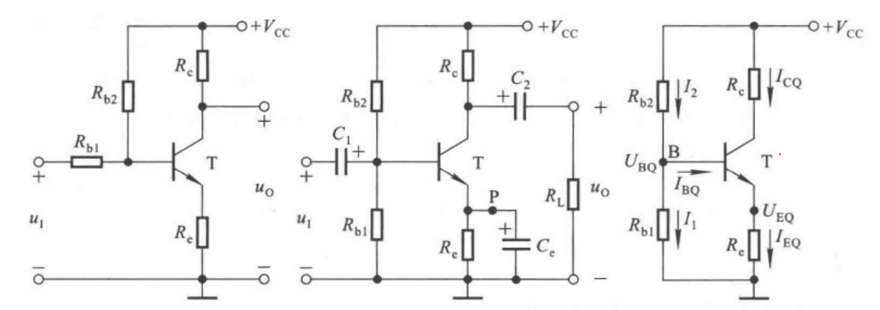
典型的静态工作点稳定电路

如上图是典型的Q点稳定电路,从左至右分别为直接耦合、阻容耦合和它们共同的直流通路。
该电路可以实现直流负反馈:

估算静态工作点时,一般基于两个假设:$I_1\gg I_{BQ},I_{CQ}\approx I_{EQ}$。剩下的推导随手推。
对于动态参数,两种电路都可以等效为以下电路,并可以如下计算:
稳定静态工作点的措施
可以用热敏元件实现温度补偿。

(a)中利用二极管的反向特性,温度升高时引起$I_C$和$I_R$(二极管反向电流)同时增大,由于通过$R_b$的电流几乎不变($\frac{V_{CC}-R_{BQ}}{R_b}$),故$I_B$减小,从而$I_C$减小。参数调整合适时,增大和减小的值可以抵消,从而实现补偿。
(b)中则是温度补偿和直流负反馈的结合。同理,不再赘述。
晶体管单管放大电路的三种基本解法
图像法,微元法,能量的观点。
当然,也可以说是共基、共射、共集
基本共集放大电路

电压跟随,电流放大,故又称射极跟随器
对此类电路的分析,一般采用简化h参数等效,即be之间为$r_{be}$,ce之间为流向e的CCCS($\beta i_B$)
基本共基放大电路
电流跟随,电压放大且同相
三种接法的比较
输入电阻:共集>共射>共基
输出电阻:共基$\approx$共射>共集
频带:共基>共集>共射
共基只放大电压,共集只放大电流
场效应管放大电路
场效应管放大电路等效模型
无论是结型场效应管还是绝缘栅型场效应管,其放大电路的电路模型一致如下:
图中$g_m$是跨导,即转移特性曲线上Q点的导数。晶体管是CCCS,而场效应管是VCCS。
此处补一个在第一章漏学的知识,即场效应管的电流方程:
-
结型场效应管
$$i_{\mathrm{D}}=I_{\mathrm{DSS}}\left(1-\frac{u_{\mathrm{GS}}}{U_{\mathrm{GS} \mathrm{(off)}}}\right)^{2} \quad\left(U_{\mathrm{GS}(\mathrm{ off })}<u_{\mathrm{GS}}<0\right)$$
式中$I_{\mathrm{DSS}}$是$u_{\mathrm{GS}}=0$情况下产生预夹断时的$i_{\mathrm{D}}$,称为饱和漏极电流
-
绝缘栅型场效应管
$$i_{\mathrm{D}}=I_{\mathrm{DO}}\left(1-\frac{u_{\mathrm{GS}}}{U_{\mathrm{GS} \mathrm{(th)}}}\right)^{2} \quad\left(u_{\mathrm{GS}}>U_{\mathrm{GS}(\mathrm{th})}>0\right)$$
式中$I_{\mathrm{DO}}$是$u_{\mathrm{GS}}=2U_{\mathrm{GS}(\mathrm{th})}$时的$i_{\mathrm{D}}$。
根据以上方程,可以得到跨导$g_m$的表达式:
$$\frac{2}{U_{\mathrm{GS}(\mathrm{th})}} \sqrt{I_{\mathrm{DO}} i_{\mathrm{D}}}$$
而小信号作用时,可以用$I_{DQ}$近似表示$i_D$
$$g_{\mathrm{m}} \approx \frac{2}{U_{\mathrm{GS}(\mathrm{th})}} \sqrt{I_{\mathrm{DO}} I_{\mathrm{DQ}}}$$
$r_{ds}$表示输出特性曲线中恒流区的导数的倒数。同样地,当外电阻较小时,可以忽略其中的电流,即只有一个受控源。
四种场效应管放大电路
如下的五种电路,都可以用以上等效电路及电流方程分析。具体电路分析不再赘述。
场效应管放大电路具有噪声低、温度稳定性好、抗辐射能力强的优点
基本放大电路的派生电路
复合管
复合管的等效管由其第一个管的类型决定。
由两个晶体管组成的复合管,放大倍数$\beta=\beta_1\beta_2$
由场效应管和晶体管组成的复合管,跨导$g_{\mathrm{m}} \approx \frac{\beta_{2} g_{\mathrm{m}1}}{1+g_{\mathrm{m} 1} r_{\mathrm{be}}}$
三种复合管放大电路
无论是哪种复合管,只需要画出直流通路和交流通路,就基本可以拿下。交流通路用等效电路搞一下即可。
-
复合管共射放大电路,图略
-
复合管共基放大电路,图略
-
复合管共源放大电路

含共基接法的放大电路
-
共射-共基放大电路
可以改善共射电路的高频特性,其$\dot A_u$和共射接法的晶体管单独接近似。
-
共集-共基放大电路
输入电阻较大,有一定的电压放大能力,有较宽的通频带。

