模拟电子技术-绪论及第一章 常用半导体器件
绪论
由于听说模电难度很大,且有实验课配套,故特地为其创立文集。
分配的老师不尽人意,乃转向郑益慧老师的网课,并在此记录和整理。
基于历史顺序的教材编写和课程安排。三种晶体管(二极管 三极管 场效应管)$\rightarrow$三种管的基本应用,即放大电路$\rightarrow$ 要做得更小,故有集成运算放大电路$\rightarrow$分析放大电路的响应和反馈(负反馈)$\rightarrow$实际应用,即信号的处理、转换,功率放大电路和直流电源
第一章 常用半导体器件
基础知识
本征半导体
概念:纯净的,具有晶体结构的半导体
晶体结构:正四面体结构
本征激发:有价电子从正四面体中脱出,变成自由电子,脱出地称为空穴
另外位置的电子受电场力作用填补该处空穴,并形成新的空穴,以此形成了空穴在电场方向上的移动。本征激发越多,导电能力越好。
复合:自由电子撞到空穴中,产生湮灭,称为共价键的价电子
本征激发、复合的速度,即温度会影响载流子浓度,进而影响导电性。但是提高得不多,所以需要加入杂质
杂质半导体
N型半导体(掺入P)
掺入少量Phosphor,使其也混在正四面体结构里面,由于其为五价,会多出一个自由电子,从而大大增加导电性。自由电子是多子,空穴是少子。自由电子是主要的载流子,由于其带负电,故称为N(Negative)型半导体。磷原子此时被称为施主原子
增加杂质后,前面提到的温度对导电性的影响相对变得微乎其微,故让CPU很热并不能让它更快。在这种情况下,温度不怎么影响多子,但是依然影响少子。
P型半导体(掺入B)
掺入的是硼,其他的和前面反过来即可
PN结
PN结的形成

如图是把P和N半导体放在一起,在交界处会不断打架并且湮灭,最终形成一个空间电荷区(耗尽层,阻挡层),称为PN结。PN结会成为一个势能垒,在外的电子难以翻越。

漂移运动:能垒对少子来说就是坑。最终多子的扩散运动与少子的漂移运动形成动态平衡。
对称结:两边载流子浓度一样,能垒斜率相反数。不对称结,反过来。
PN结的单向导电性
给正向电压相当于削低能垒,低于多子的能量,于是多子开始工作,便导通
给反向电压相当于让坑更深,少子更容易通过,但是少子毕竟是少子,所以截止
PN结的电流方程
方程:
$$i=I_S(e^{\frac{U}{U_T}}-1)$$
室温下,$U_T$约为26mV,而对Ge,U=0.2~0.3V,对Si,U=0.6~0.7V,故导通时“-1”几乎可以忽略,为指数关系。
PN结的伏安特性
正向特性:死区,导通区
反向特性:反向饱和区(锗管的饱和电流远大于硅管),反向击穿区
反向击穿-雪崩击穿(掺杂浓度低时)
反向电压足够大,加速电子撞击共价键使其断裂。掺杂浓度低,所以PN结长,所以撞击概率高。
反向击穿-齐纳击穿(掺杂浓度高时)
反向电压足够大,直接把电子从共价键中拉出来。掺杂浓度高,所以PN结短,电压增加时,电场强度增加得尤其快。但由于PN结窄,撞击概率不高。
击穿之后,由于过量发热,PN结很可能会损坏。但是控制温度,即可实现在反向击穿状态工作(稳压二极管)
温度越高,越难雪崩击穿,越容易齐纳击穿
一般6V以下齐纳击穿多,以上雪崩击穿多
PN结的电容效应
势垒电容:反向导通
扩散电容:正向导通
什么玩意?什么是电容效应?
但是不影响我赋高分
半导体二极管
伏安特性
和PN结几乎一样,区别:
- 由于体电阻的存在,相同正向电压下,电流更小
- 由于封装漏电,反向电流更大
温度的影响
温度升高,整个I-U图像向I轴收缩(正向向左,反向向下)
室温下,每上升1℃,正向压降减小2-2.5mV;每上升10℃,反向电流增大一倍
可以据此制作极其廉价的温度传感器
二极管的主要参数
- $I_F$,二极管长期使用时的最大电流值
- $U_R$,最高反向工作电压(要小于反向击穿电压),大约是$U_{BR}$的50%
- $I_R$,反向饱和电流,越小,反向截止特性越好
- $f_M$,最高工作频率,过高就变成$\frac1{j\omega C}$了
二极管的等效电路
二极管的简单等效
等效电路:用线性元件近似,伏安特性折线化
以下是三种直流电路中的拟合模型:
其中,中间不贯穿的二极管是理想二极管的符号。最常用的是中间这种。
二极管的微变等效
用直流环境确定$I_D$,进而推出二极管在该点处的$r_D$,二极管于是等效为一个阻值为$r_D$的纯电阻,用该纯电阻进行交流部分的分析。注意进行交流部分的分析时需要忽略电路中的直流源,之后再加回来。类似电路理论的正弦稳态电路分析方法。
其中,等效电阻的计算公式为
$$r_D=\frac{\Delta u_D}{\Delta i_D}=\frac{U_T}{I_D}$$
即导数。
稳压二极管
散热更好的二极管,可以在反向击穿区域稳定工作
伏安特性曲线形状和普通二极管完全一致
双向稳压二极管:两个背靠背的稳压二极管,三种情况(A导通B击穿,B稳压;AB截止;B导通A击穿,A稳压)
主要参数:温度系数$\alpha$(稳定电压受温度的影响程度),稳定电压$U_Z$,稳定电流$I_Z$,额定功耗$P_{ZM}$,动态电阻 $r_Z$。其中:
$$P_{ZM}=U_Z\cdot I_Z,r_Z=\frac{\Delta U_Z}{\Delta I_Z}$$
在进行稳压二极管相关计算时,要注意假设是否击穿。不击穿的时候一般不考虑电流,认为是断路
发光二极管
红色压降1.6-1.8V,绿色2V
晶体三极管
晶体三极管,即双极晶体管(BJT,bipolar transistor)
构成方式
发射区的掺杂浓度远大于集电区和基区,基区在中间,非常薄。符号相关略,来自浙江技术选考。
电流放大作用
截止:都反偏
放大:e正偏,c反偏
饱和导通:都正偏
正偏,即PN结正向导通;反偏即反向截止
内部载流子的运动
以NPN三极管为例,集电区和发射区的载流子是自由电子,基区的载流子是空穴。
对发射结:正偏导通,基区的空穴向发射区扩散,发射区的自由电子向基区扩散,而由于发射区的掺杂浓度大得多,空穴的扩散量几乎可以忽略。由于基区的空穴太少,湮灭的自由电子很少,所以相当一部分来自发射区的自由电子继续向集电区扩散。基区的宽度和掺杂浓度决定了在基区吸收的自由电子比例
对集电结:反偏,直接把基区未吸收的电子全部抽到集电区。保证了电子交通的完整性,确保比例固定。
放大系数
对上述的各种过程,忽略基区扩散和基区和集电区之间的漂移运动,可以得到如下关系:
$$直流放大系数\overline{\beta}\approx\frac{I_C}{I_B}$$
$$交流放大系数\beta\approx\frac{\Delta I_C}{\Delta I_B}$$
但是数值上没什么区别,所以直接全用$\beta$了
除了共射的放大系数,另有共基的$\alpha$
$$共基直流放大系数\overline\alpha\approx\frac{I_C}{I_B}=\frac{\overline\beta}{1+\overline\beta}$$
交流的同理
穿透电流
放大状态下,基极开路时,集电极和发射极之间并非完全断路。此时通过的电流为穿透电流$I_{CEO}$
同样地,发射极开路时有$I_{CBO}$,如上图。
BJT共射特性曲线
共射即共发射极接法,即浙江技术选考
-
输入特性:$i_b=f(u_{be})|{u_{CE}=const}$,对每一个U(CE)有一个曲线,即曲线族

-
输出特性:$i_c=f(u_{ce})|{i_b=const}$,同为曲线族

- 放大区:$i_c=\beta i_b$,发射结正偏
- 截止区:ce断路,都反偏
- 饱和区:导通,双结正偏,本质是$\beta i_b>i_{cmax}$,即热力学第二定律(?
由此,晶体三极管可以开发出放大功能和开关功能。开关功能常用于电控,是浙江技术选考通用技术的核心考点;放大功能则是模拟电子技术区别于数字电子技术的主要内容。
主要参数
对电子工程师来说有用,但对考试没用,但是我大概不会去做电子工程师
温度的影响
对输入特性,对相同的$i_b$,温度升高,$u_{be}$降低2-2.5mV
对输出特性,温度升高,$i_{CEO}$成倍增长,$\beta$也会增加
光电三极管
对光敏感的三极管,$i_{ce}$与光强成比例
场效应管
场效应管(FET, field effect transistor)
绝缘栅型场效应管(MOSFET)
书上先讲结型场效应管,但是郑老师选择先讲这个
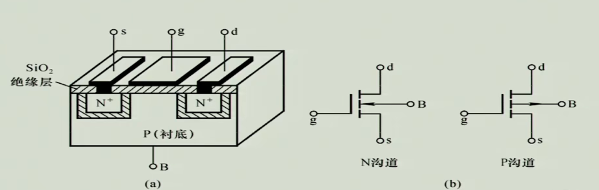
N沟道增强型MOS管(N沟道增强型绝缘栅型场效应管)

结构:g栅极,s源极,d漏极;对应基极,发射极,集电极。但是原理不同。
工作原理
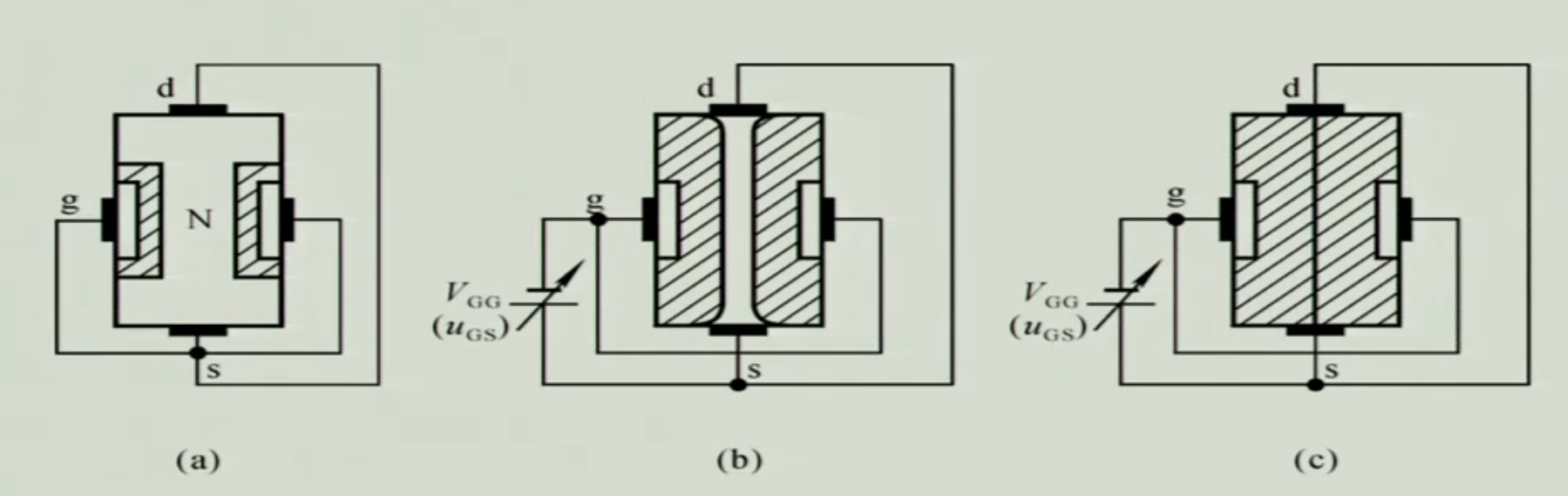
如上图,在gs端施加电压,排斥ds之间靠近g极的空穴,并聚集自由电子,使得该处形成一个新的N型区域,即N沟道
如上图,再在ds端施加电压,会导致沟道两侧电场强度不均匀,沟道宽度随之改变,随着ds端电压不断升高,两侧宽度差异越来越大,最终会进入“预夹断”的状态,即“如断”,此时,无论$V_{ds}$电压如何升高,其电流不再改变,即进入恒流区。
对P沟道的类型,只需要把NP换个位置即可,相应地,需要改变电压的方向。
N沟道耗尽型MOS管
即本身具有沟道,需要有负电压$U_{gs(\mathrm{off})}$才能达到截断效果。P类同理。
结型场效应管

$u_{ds}=0$时,如上图,在gs上加反压,可以让沟道越来越小,最终会夹断(确实夹断,不是如断),功能上比较类似耗尽型MOS管,但是不能跨越正负。另一方面,相对于绝缘栅型场效应管,结型场效应管比较耐用。
场效应管的特性曲线与参数
特性曲线
-
N沟道增强型MOS
左侧为转移特性曲线,是恒流区;右侧是输出特性曲线

- 结型
所有类型的集合
参数
直流参数:$V_{GS(th)},V_{GS(off)},I_{DSS},R_{GS(DC)}$
交流参数:
-
(低频)跨导 $g_m=\frac{\Delta i_D}{\Delta U_{GS}}|U_{DS}=\mathrm{const}$
-
极间电容

